SLW型風機簡介
SLW型三葉螺旋羅茨風機是在長年制造銷售環保風機的基礎上采用新技術開發的新產品。
本機通過在葉輪上采用新型線,使總絕熱效率和容積效率進一步提高,是風量和壓力特性特別優良的風機。
所謂效率優良,就是風機自身的發熱量相對減少即溫度上升值下降,各種機型在干燥狀態下使用的排風壓力力可達0.6kfg/平方厘米 。
SLW風機的特點
1.螺旋形狀是20℃以上的固定螺旋方式。機殼的進排風屏蔽線切入螺旋,以轉子頂端光面線構成的三角形進排風口,通過轉子的旋轉而循序打開。本風機的進排風口,不象舊式羅茨螺旋風機那樣在瞬間打開或關閉,所以運轉聲音極小,幾乎沒有排風脈動。
2.因為轉子是三葉直線形,所以它不象螺旋式轉子那樣,因軸向微小的變位而使轉子相互接觸。因此,只在剖面上保證轉子間的間隙即可,不需要象轉子螺旋式那樣再加上軸向變位,以致間隙過大這種風機的效率比相同尺寸的轉子螺旋式風機好得多。
3.因轉子采取特殊外形,便于保持轉子間的相互間隙,使效率進一步提高。
4.因使用精密數控機床批量生產轉子,并對精度管理采取了完善的措施,所以,各臺風機之間完全沒有性能誤差。另外,轉于在制造過程經過嚴格的平衡,所以,本機振動極小。
5.采用高精度驅動齒輪,不僅使壽命得到延長,而且實現了低噪音化。
6.輸出空氣清潔,不含任何油質。機殼內部不須油類潤滑,且采用了避免軸承、齒輪、油類混入機殼內部的結構設計。
7.隨全廠品質管理,生產管理體制的確立,實現了部件相互交流,低生產成本,短期交貨的目標該風機一般情況下,有適量的庫存,可以實現當即供貨。
工作原理
SLW系列環保節能鼓風機,克服了原來舊的羅茨鼓風機所存在的弊端,舊的兩葉型、三葉型,其壓縮原理是轉子頂端向排風口一線打開的瞬間,排風口高壓空氣逆流與機殼之內,進行壓縮,這種逆流與壓縮產生劇烈的壓力立變化,這種壓力變化形成了風機的噪音原因。本風機為了消除這種因素而研究了螺旋形狀,從而達到環保節能的效果。

性能的說明
性能表示出了風機型號、口徑、轉速、排風壓力、風量和所需要動力的關系
1.性能所表示風量是標準進風狀態下的風量,所謂標準狀態,就是溫度20℃,絕對壓力10332Kgf/cm2[101.3Kpa]相等濕度65%。
2.基準狀態(溫度0℃,絕對壓力10332Kgf/cm2[101.3Kpa])的風量。一般以Nm3/mln表示,在進風壓力相同的情況下,可用下式換成標準狀態的風量。
Qs=Qpxl.0732
Qs標準狀態風量(m3/mln)Qn基準狀態風量(m3/min)。
3.可用下式把排風狀態風量換算成標準狀態風量。
型號規格說明
1.每種型號都有性能表和標準規格,易于選擇風機型號。
2.包括附件在內,風機主體實行標準化。有完善的批量生產體制,能夠隨時滿足您的要求。
3.因為有良好的螺旋結構,又使用同風機匹配的消聲器,風機的運轉噪音比過去低的多。
4.轉于是經過全面加工精密產品,加工制作時,已經過嚴格的動平衡,幾乎沒有振動。
5.采用小型設計,安裝面積小。
SLW型主要規格
風機口徑:50—200mm
風量:0.78—59.2m3/min
升壓:0.1—6kgf/cm2
電機功率:0.75—90Kw
標準附屬品
通用底座
皮帶罩
風機皮帶輪、電機皮帶輪、V型皮帶
吸入消聲器
排出消聲器
壓力表
潤滑油
地角螺栓
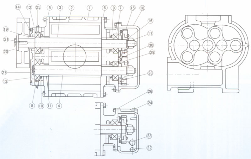
SLW型結構圖


SLW型外形尺寸圖

SLW型外形尺寸表

SI單位換算表

SLW型性能表






山東同匯機械有限公司
地 址:山東省淄博市博山區顏北路131號
電 話:0533-4231111 4183648
傳 真:0533-4183783
郵 編:255200